Contact
Phone:
+3251795060
Email:
info@segway-powersports-belgium.com
Sign in
Create an account
Welcome,
Sign in
or
Create an account
English
English
Français
Nederlands
EUR €
BGN BGN
CHF CHF
CZK Kč
DKK kr
EUR €
HRK kn
HUF Ft
NOK kr
PLN zł
RON lei
SEK kr
UAH ₴
USD $
shopping_cart
Cart:
0
Products - €0.00
There are no more items in your cart
Shipping
Total
€0.00
Check Out
Search
Home
Home
Spare parts
Explosion drawings
SX20-S3
BODY
BODY
SX20A01-POWER INSTALLATIONS,ENGINES SX20A01
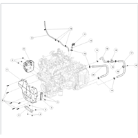
SX20A01A-POWER FITTINGS,ENGINES SX20A01A
SX20A02-COOLING SYSTEM SX20A02
SX20A03-FUEL SYSTEM SX20A03
SX20A05-FRAME AND TOP BEAM SX20A05
SX20A08-REAR CARGO BOX SX20A08
SX20A09-FRONT PLASTIC PARTS SX20A09
SX20A14-REAR PLASTIC PARTS SX20A14
SX20A19A-SEATS EU SX20A19A
SX20A25-HALF DOORS SX20A25
SX20A26-ROOF SX20A26
SX20A27-COCKPIT FLOOR SX20A27
SX20A28-REAR PANEL OF COCKPIT SX20A28
SX20A31-SEAT BELT SX20A31
SX20A32-FRAME BODY PARTS SX20A32
SX20A34-DASHBOARD SX20A34
SX20B07A-WARNING LABEL EU SX20B07A
SX20C14-FENDERS AND FOOTREST SX20C14
Follow us on Facebook
Facebook
check_circle
check_circle